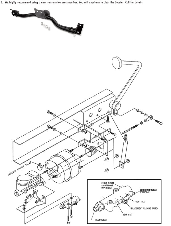
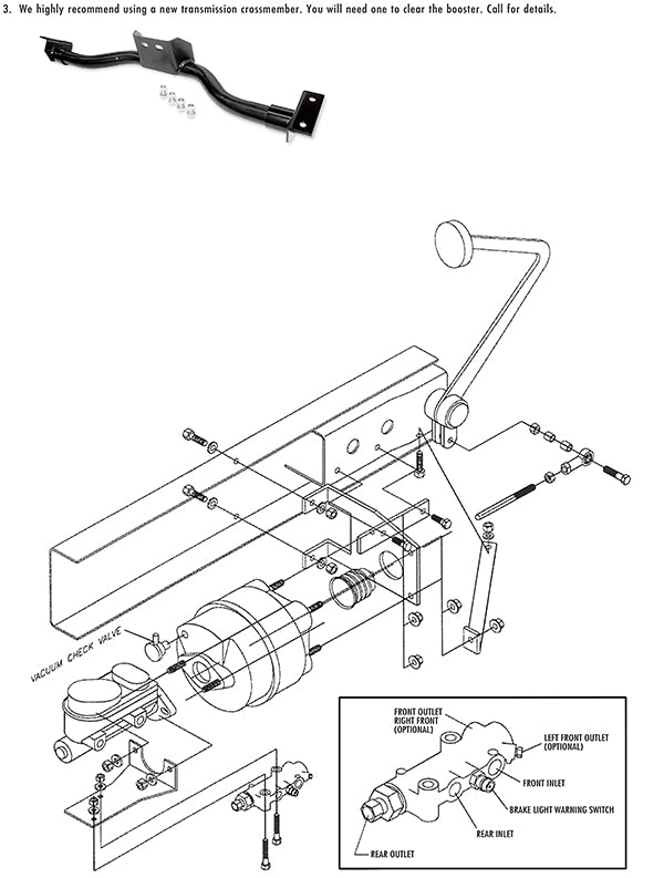
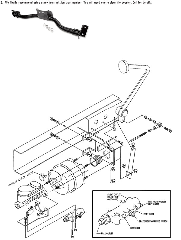
Details
Our power brake booster kits will help your 1955-59 Chevy and GMC 3100 truck stop better than ever! These bolt on kits mount to the original master cylinder frame bracket and use the factory pedal assembly. Available in 2 or 4 wheel disc applications and drum brake applications.













